网站首页 公司简介 产品展示 现场应用 新闻中心 在线订购 联系我们

成都奇格欢迎您 众多产品供您选择  关风器、旋转阀、给料机、耐磨机、磁选器  详情联系:秦经理 18982059256

  产品分类
微量关风器
磁选器
   - TCXC溜管式磁选器
   - TCXP磁力分选器
   - TCXD抽屉式磁选器
   - TCXX旋转式电机磁选机
强清机
贯通式正压关风器
切向关风器
直联关风器
   - 直联关风器
   - 直联关风机
不锈钢直联关风器
不锈钢贯通正压关风器
不锈钢双路阀分解图
轻型喂料轮
卸灰阀
直联喂料绞龙
不锈钢垂直卸料正压
关风器串联机组
新型耐磨机
快速清理机
高温高压
真空关风器
   - 真空上料器
双路阀系列
   - 气动双路阀
   - 电动双路阀
   - 管道式双路阀
绞龙系列
负压关风器
破碎机
气动三通分路阀
矿山用大型关风器
大型旋转阀
强制冷却关风器
  联系我们



成都市奇格粮食机械制造有限公司
公司地址:四川省成都市成华区龙潭工业园成宏路68号
联系人:18982059256(秦小姐)
邮箱:1139430190@qq.com

产品展示 >>
   
 
贯通式正压关风器

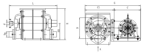
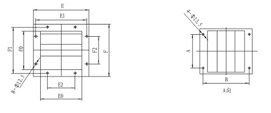
     贯通式正压关风器运用于正压稀相气力输送系统,设备可直接安装对接输送管线。贯通式正压关风器空气进口和出料口位于壳体端盖下部,压力输送气流从设备一端进入,直接贯通转子叶片的V形料仓, 混合物料后从出料口进入输送管线。这种设计可以非常有效的让气流清理并输送走残留在V形料仓里的粉状物料。紧凑的外形设计方便现场安装。该设备不适合高硬度,易造成磨损的颗粒物料。


1、订购不同的变径接头可以适应不同的输送管道安装。
2、温差、湿度大的地区选购油水分离器可以防止多余水汽进入设备。

  下一个:气动双路阀
  打印本页 || 关闭窗口
   
 
     
蜀ICP备14017299号-1  
网站首页 | 公司简介 | 产品展示 | 现场应用 | 联系我们